咨詢熱線
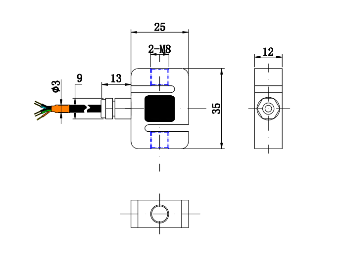
產品特點及用途:
特點:
◆LFS-01采用高精度電阻應變式原理
◆可滿足 0-200kg范圍內的力測量。
◆不銹鋼材料,密封焊接,防油、防水、耐腐蝕
◆S型結構設計,壓式承載,安裝使用方便靈活。
◆安全防爆型產品,可用于惡劣環境及危險性場合。
◆體積小巧,外型美觀
◆動態響應頻率高
用途:
主要應用于插拔力測試儀,鉚釘機,焊接機,冷熱壓貼膜機,鍵盤按鈕手感度測試儀等拉壓力測試儀器以及自動化設備領域和測試領域。
Mainly applied in tension and compression testing instruments , automatic equipments and testing fields,such as insertion force test instruments,riveting machine,welding machine,hot & cold lamination machine,feeling tester for keyboard switch, and etc.
其他信息:
如您有其他的需要,如量程、尺寸、安裝位置、內置變送器等其他要求,請于我們聯系,我們可為您量身定做。也歡迎您來我司蒞臨指導。
